
介紹了電子通訊產品在易發生供電故障和易受雷擊的供電環境下,電源端口雷擊和暫態過電壓的綜合防護解決方案。該解決方案將雷擊防護與暫態過電壓防護有機結合,智能檢測判斷過電壓是雷擊還是暫態過電壓,并及時啟動防護功能,防止電源損壞等嚴重故障。該方案還可實現防護后自動恢復供電和遠程控制供電,在復雜供電環境中保障供電安全和設備不被損壞,有很大的推廣價值。
隨著通訊業務的發展,通訊產品的應用場景復雜多變,室外應用設備的供電場景尤其復雜和惡劣,某些工程場景因配電網基礎薄弱,電能質量難以保證,通信設備供電系統的穩定運行面臨挑戰。當電網高壓側發生接地故障時,會引起所供低壓設備內持續時間幾百毫秒的暫態過電壓(TOV)。近年來,國內外某些通訊站點陸續出現交流電源防雷器電涌保護器(SPD)燒毀及通訊設備電源損壞和燒毀的嚴重故障,導致通訊站點的供電和通訊業務中斷。通過實地勘查工程現場以及對大量失效防雷器和損壞電源的分析,發現很多故障的原因是電源端口受到雷擊和暫態過電壓等干擾。
目前,行業內對雷擊等瞬態過電壓的防護方案比較成熟,但對 TOV 的認識和防護還不夠,對 TOV 的研究主要是壓敏電阻耐 TOV 特性的研究,以及壓敏電阻防 TOV 起火燃燒的研究,缺失雷擊和 TOV 一體化的綜合防護方案。
01 交流 TOV 干擾機理
瞬態過電壓和暫態過電壓是兩種性質完全不同的過電壓,對應著不同的干擾機理和防護方案,如圖 1 所示。瞬態過電壓持續時間主要是微秒和納秒數量級 ;暫態過電壓一般是中壓供電系統接地故障導致的持續時間為毫秒數量級的過電壓。
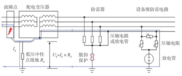
目前業界對雷擊干擾的研究比較成熟,下面主要介紹交流 TOV 的干擾機理,如圖 2 所示。當 10kV 側發生線路碰殼故障時,故障電流 IF會通過設備外殼的安全接地點流入大地。由于配電變壓器(簡稱配變)接地電阻并不完全為 0,因此接地點處可能會出現幅值為 UT 的電位抬升,UT 的值等于 IF 與 RT 的乘積。
(a)雷擊浪涌等瞬態過電壓
圖 1 工程現場電源端口過電壓類型
配變碰殼故障會導致低壓側中性點發生偏移,在用戶側產生轉移過電壓,且轉移過電壓與配變接地點地電位抬升值 UT 直接相關。這個轉移過電壓對用電設備來說,就是電源端口的交流 TOV。
TOV 對用電設備的干擾機理分為兩階段 :第一階段為過電壓損傷,即中壓故障過電壓傳遞到低壓側,此時 TOV 還未達到防雷器 SPD 的截止電壓,N-PE 斷路,基站電源接地(PE)端接地極不分流 ;第二階段為過電流損傷,此時 TOV 電壓超過了 SPD 的截止電壓,N-PE 導通,PE 端接地極分流。
02 雷擊和 TOV 綜合防護方案
2.1 雷擊加強型方案
根據電源 TOV 的損傷機理和應力特點,結合電源的防雷拓撲,利用強耐受交流 TOV 沖擊等級的防雷器,同時采取提高設備級防雷電路截止電壓、提高設備絕緣耐壓水平等措施,實現雷擊和 TOV 的綜合防護,如圖 3 所示。
由圖 3 可以看出,此方案的防雷功能采用了兩級防雷,前面利用大通流能力的防雷器泄放大部分雷擊能量,在設備電源端口采用防雷電路進一步泄放殘余的雷擊能量,并把雷擊電壓鉗位在后級電路能承受的一個合理水平。
圖 3 的 TOV 防護,一方面選擇強耐受 TOV沖擊等級的防雷器,另外當 TOV 能量特別大且超過防雷器的承受能力后,防雷器脫扣保護,避免防雷器失效進而炸裂燃燒。當防雷器脫扣保護后,TOV 直接施加到后級防雷電路,后級防雷電路的截止電壓要大于 TOV 的電壓并提高設備的耐壓等級,以保證設備不會產生惡性故障。具體應用時,要根據 TOV 的電壓合理設計后級防雷電路的截止電壓,同時又要保證防雷電路的正常功能。
(a)TOV 干擾機理第一階段
(b)TOV 干擾機理第二階段
圖 2 TOV 的干擾機理
圖 3 加強型雷擊和 TOV 綜合防護方案
2.2 智能防護方案
雷擊加強型防護方案雖然實現了雷擊和TOV 的綜合防護,但只能保護有限次的TOV。如果 TOV 沖擊次數多,還是無法避免 TOV 導致的防雷器失效現象,這對設備級的防雷電路和絕緣耐壓水平提出了相應的要求。采用普通防雷器和智能微型斷路器相結合的方案,不會影響防雷功能,且可以提供智能 TOV 防護功能,理論上可以提供無限次 TOV 防護,核心技術和功能如下 :
(1)能識別線路中的過電壓類型是雷擊還是 TOV。不會因雷擊、浪涌等瞬態干擾誤觸發開關動作。
(2)識別到線路中的 TOV 后,執行機構快速響應,自動切斷供電,阻止 TOV 傳遞到防雷器和后級設備。
(3)線路中的 TOV 去除后,供電能自動或遠程恢復,即電源輸入端口開關能自動或遠程控制復位。
圖 4 所示的防護方案結合了雷擊防護與TOV 智能防護,可靈活設定 TOV 電壓和持續時間的閾值。當線路中的 TOV 達到閾值時,快速(5~20 ms)切斷供電線路,阻止 TOV 傳遞到防雷器和后級設備。觸發電路保護模式后,一旦TOV 干擾消除,設備會自動合閘恢復上電,不需要人為操作。同時不影響雷擊防護等級和防護效果。
圖 4 雷擊和 TOV 智能防護方案
03 方案驗證
3.1 實驗室模擬驗證
按照 IEC 61643-11:2011的高(中)壓系統故障引起的暫態過電壓試驗要求,按圖 5 的配置方式,對第 2 節的兩種方案在實驗室進行了 TOV 的測試驗證。
圖 5 交流電源 TOV 測試設備電路
設備 L/N 電源接入 TOV 測試設備的供電端口,在 90° 相位施加 1200V/200A/1000ms 的暫態過電壓。
雷擊加強型方案 :TOV 測試后,防雷器均安全脫扣保護。防雷器安全脫扣后,再進行多次 TOV 測試,設備級防雷電路和設備均正常。
智能防護方案 :經多次施加 TOV 應力,智能斷路器均在 10 ms 內切斷 TOV,并在 TOV 測試后自動恢復供電。測試過程中和測試后設備均正常。對雷擊加強型方案和智能防護方案進行了差模和共模各 10 次 30 kA 的雷擊測試,防護電路和設備均運行正常。
3.2 真型場試驗驗證
國電電網某公司配電網真型試驗場是世界上最大規模的 10 kV 真型試驗場之一,按照通信站點的典型配電、防雷和接地場景,搭建還原某通訊站點的真實場景,人工制造中壓交流單相接地故障,測試驗證智能防護方案,測試配置如圖 6 所示。
在故障專用配電變壓器側人工制造 10kV 單相接地故障,故障持續時間 100 ms。通過錄波器測試可知,接地變壓器接地轉移到低壓交流側 N線對 PE 之間的 TOV 約為 1500 V,A相 L 對 PE 之間的 TOV 大約 1800 V,持續時間 100 ms。給遭受 TOV 干擾的整流器 1 的配電變壓器加上智能微型斷路器,智能微型斷路器過壓保護閾值設為 275 VAC。通過錄波器測試可知,當整流器電源 N 線對 PE、L 線對 PE 之間的電壓超了微型斷路器設置的閾值電壓后,微型斷路器在 15 ms 內跳閘斷開 L 線和 N 線,阻斷TOV,保護后級 AC 設備及直流設備。100 ms故障結束后,微型斷路器自動合閘恢復供電。
圖 6 智能防護方案驗證配置
結語
隨著通信產品的廣泛應用,其應用場景也越來越復雜和多變,雷擊和電網 TOV 干擾是通信產品安全、可靠運行的一大威脅,采取雷擊和電網 TOV 綜合防護措施是保障通信設備安全可靠運行的重要手段。本文提出的兩種解決方案,在不影響防雷功能的情況下,能有效地防護 TOV 干擾,實現了防雷和 TOV 的綜合防護。
本文摘自:《安全與電磁兼容》2025年第01期
作者:徐加征、胡紅專、陳泓材