
許多工業和汽車應用中都使用了同步降壓轉換器電源拓撲結構;此類應用還要求具有低傳導放射和輻射放射特性,以確保電源不會干擾共用同一條總線的其它設備(輸入電壓 [VIN])。例如,在汽車信息娛樂系統中,電子干擾(EMI) 會在汽車立體音響中發出撓人的噪音。
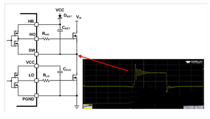
圖1顯示了同步降壓轉換器的原理圖以及其開關節點波形。高側MOSFET的開關速度和高側/低側MOSFET與印刷電路板(PCB)雜散電感和電容都具有在開關節點波形達到峰值時振鈴的功能。而我們不需要開關節點波形振鈴,因為它會增大低側MOSFET的電壓應力,并產生電磁干擾。
圖1:同步降壓轉換器
為了確定圖1中降壓轉換器的開關節點振鈴與其所產生電磁干擾之間的關系,我按照國家無線電干擾特別委員會(CISPR) 25 Class 5的規定進行了傳導放射測試。圖2顯示了測試的結果。測得的數據顯示:在30MHz-108MHz的頻率范圍內,降壓轉換器的傳導放射值比Class 5限制高出了15dB?V。
圖2:CISPR 25 Class 5, 30MHz-108MHz,降壓轉換器 VIN = 12V, VOUT = 3.3V, IOUT= 5A
要降低電磁輻射,首先要降低開關節點的振鈴噪聲。有以下幾種方法:首先減緩MOSFET的接通和關閉時間,從而控制開關節點的上升和下降時間。在串聯電阻器(RHO與RLO)上加裝MOSFET的柵極引線即可實現該功能;參見圖3。第二步是在開關節點與接地之間加裝一個緩沖器(RSUB與CSUB)。緩沖器電路可以在轉換過渡期間抑制寄生電感和電容。
圖3:接通和關閉電路
除利用上述方法來降低開關節點振鈴噪音外,還有另一種方法,就是使用LM5140-Q1符合汽車應用要求的同步降壓控制器。LM5140-Q1的一大重要特性是轉換速率控制。通過引出驅動器的源側和接收側引線,可以獨立控制高/低側MOSFET的接通和關閉時間。
在低側MOSFET關閉和高側頂部MOSFET接通期間,開關節點電壓從接地升至VIN。如果高側頂部MOSFET接通過快,則在過渡時開關節點電壓會過沖。增大RHO電阻可以降低高側MOSFET的驅動電流,減緩該MOSFET的接通時間,同時有助于降低開關節點振鈴噪音。注意:減慢高側MOSFET的關閉時間會增大開關損耗。在低電磁輻射和高側MOSFET的開關損耗之間選用RHO時,需要做一個權衡折衷。
低側MOSFET損耗包括RDS(ON)損耗、空載時間損耗和MOSFET內部體二極管的損耗。空載(高/低側MOSFET均處于關閉狀態)時,低側MOSFET的內部體二極管可傳導感應器電流。一般情況下,MOSFET的內部體二極管都有較高的正向電壓降,因此其效率會大幅降低。而縮短低側MOSFET內部體二極管傳導電流的時間可以提高效率。
利用轉換速率控制可以在LM5140-Q1驅動器輸出(LO引腳)和低側MOSFET柵極之間插入一個電阻器(ROL),用來延長低側MOSFET關閉所需的時間。減慢關閉時間可以減少低側和高側MOSFET傳導的空載時間,提高降壓轉換器的效率。縮短同步降壓的空載時間時,切勿同時傳導高側和低側MOSFET。
圖4:降壓轉換器開關節點波形和轉換速率控制
我使用LM5140-Q1控制器(參見圖4)改裝了圖1所示的電源。使用轉換速率控制優化開關節點的上升和下降時間,消除了開關節點的振鈴噪音。
下一步是進行CISPR 25 Class 5傳導放射。我選用了以下轉換速率控制電阻器值:RHO = 10?, RHOL = 0?, RLO = 10? 和 RLOL= 10?。選擇用于此應用的電阻器對于輸入功率低于50W的任何應用來說都是一個很好的起點。
圖5顯示了傳導放射測試的結果和總結。
圖5:轉換速率控制比較:CISPR 25 Class 5, VIN = 12V, VOUT = 3.3V, IOUT = 5A,無轉換速率控制(a)和有轉換速率控制(b)
降壓轉換器借助LM5140-Q1和轉換速率控制將傳導放射降低了21dB?V。此外還增強了對開關節點上升和下降的控制,同時無需使用緩沖電路,降低了電路的復雜性和成本。
挑選出轉換速率控制電阻器的正確值,不僅可以降低電磁輻射,還能同時提高系統的效率。