
產品概述:
AN 150C10根據ISO 21498-2:2021、ISO 21498-2:2024、MBN_11123:2019和VW 80300:2021設計,集成阻抗為0 mΩ、2*10 mΩ、2*25 mΩ、2*50 mΩ、2*100 mΩ、50 mΩ、100 mΩ、200 mΩ和10 mF的電容。該設備可用于最大值1500 V,100 A的直流電流的試驗。
產品特點:
> 彩色觸摸顯示屏操作,按標準選擇內阻,通過繼電器自動切換阻抗和電容,測試過程中無需手動轉接,安全方便
> 內置10 mF去耦電容和泄放電阻,并實時監測電容電壓
> 冷卻方式風冷,內置溫度保護,無需額外冷卻裝置
> 通過‘增益相位并聯-直通’測試方法滿足ISO 21498-2:2021、ISO 21498-2:2024 & MBN 1112:2019阻抗曲線范圍,內阻滿足VW80300 ±2%(最小±1mΩ)要求
> 可選配(汽車抗擾度測試軟件Autolab)遠程控制,自動進行系統測試發射類試驗
> 輸出電阻0 mΩ、2*10 mΩ、2*25 mΩ、2*50 mΩ、2*100 mΩ和50 mΩ、100 mΩ、200 mΩ
> 設計采用高壓屏蔽端子使用起來更安全便捷
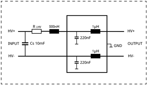
ISO 21498-2:2021、ISO 21498-2:2024、MBN_11123:2019標準原理圖如下:
VW 80300:2021標準原理圖如下:

|
技術參數 |
|
|
頻率范圍 |
10 Hz ~ 150 KHz |
|
輸出阻抗 |
0mΩ,2*10mΩ,2*25mΩ,2*50mΩ,2*100mΩ, 50mΩ,100mΩ,200mΩ |
|
電感 |
1 μH |
|
接地電容 |
1 μF 或 220 nF |
|
去耦電容 |
10mF(0~+10%) |
|
輸入電壓 |
MAX 1500 VDC |
|
電流 |
持續100 A,最大200 A(持續2 min) |
|
電容電壓監測 |
下位機屏幕顯示 |
|
溫度保護 |
設備內部溫度超80 ℃中止運行 |
|
通用參數 |
|
|
工作電源范圍 |
AC 110 V/220 V±10%,50/60 Hz±5% |
|
保險絲 |
6 A |
|
最大功耗 |
400 W |
|
儀器接地連接方式 |
使用扁平接地線 |
|
機柜尺寸 |
35U(600*800*1850mm) |
|
重量 |
約260 kg |
|
溫度范圍 |
15-35 ℃ |
|
濕度范圍 |
45% - 75%,(無凝露) |
|
氣壓范圍 |
86 kPa – 106 kPa |
|
標配附件 |
|
|
電源線、保險絲、接地線、測試線、校準模塊、說明書、檢驗報告、產品質保書 |
|
|
選配附件 |
|
|
汽車抗擾度測試軟件Autolab |
支持windows 7 and Windows 10、11,它使用方便、用戶界面美觀、直觀,各項操作功能以及標準測試庫使用戶可以輕松完成自定義測試程序,用戶可自定義任意波形(標準庫以外),它能夠自動/手動識別所連接的Autolab測試設備并進行自動配置,基于模板的報告功能可以幫助用戶靈活地生成測試報告。 |
全國免費服務熱線
4006-0512-77